With the rapid development of collaborative robots, industrial robots, and bionic robotic hands, the precision requirements for position detection and angle feedback of robot finger joints are increasing. As one of the key core components, magnetic code disks are achieving high-precision encoding detection in micro spaces and are becoming a mainstream solution.
For various types of robotic finger joint structures, NST offers magnetic encoder solutions in a wide range of sizes, covering numerous combinations of outer diameter, inner diameter, and thickness. Whether for compact bionic fingers or high-torque industrial robotic finger joints, we can provide a precise match. We also support multi-pole magnetization designs, allowing the number of pole pairs to be customized according to encoding accuracy requirements, thereby enhancing angular resolution and detection stability.
In terms of materials, NST offers a variety of magnetic material options to meet the performance requirements of different applications. Common options include bonded neodymium-iron-boron magnetic discs (which offer high magnetic performance and are suitable for high-precision, high-resolution applications), injection-molded ferrite magnetic discs, and rubber magnetic discs (which offer excellent flexibility).
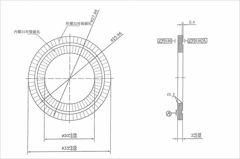
Multi-pole precision magnetized dual-track magnetic ring size drawing

Currently, several customers have already contacted us to request samples for testing. If you are interested in these products, please feel free to contact our customer service team and let us know the required dimensions, number of magnetic poles, and magnetic specifications.
Select relevant product specifications;
China Neodymium And Ferrite Magnets Manufacturer & Supplier